Skip to content
ARK Automotive
Automotive Projects Blog
Menu
ARK Projects
Triumph Vitesse
Range Rover
Jaguar XJ-S
Triumph Stag
GBS Zero
Pinball
Suffolk Super Colt
Philately
Stag History
Wiring & Electrical
Reference
Torque Settings
About
Contact Me
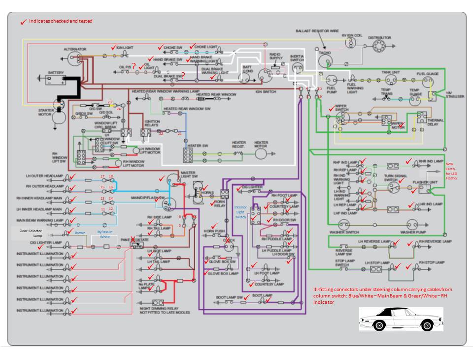
Wiring & Electrical